打开菜单
自营商城
技术资讯
找货定制
测试服务
射频工具
Submit
注册
登录
搜索
首页
环行器
带线环行器
990-103109-503
990-103109-503
收藏
厂商:
M2 Global Technology
详细
国家
United States
地址
M2 Global Technology, Ltd. 5714 Epsilon, San Antonio, TX 78249, United States
电话
+1 (210) 561-4800
传真
+1 (210) 561-4852
官网
www.m2global.com
详情
M2 Global Technology是微波产品及精密制造服务的主要全球供应商。通过这两个业务部门,他们一直服务于国防,电信和航空等行业超过30年。该公司的产品主要应用在蜂窝通信系统,卫星上行和下行链路,视距通信,雷达对抗,广播设备,和机身系统。
产品手册
官网资料
询价
产品规格
纠错
型号
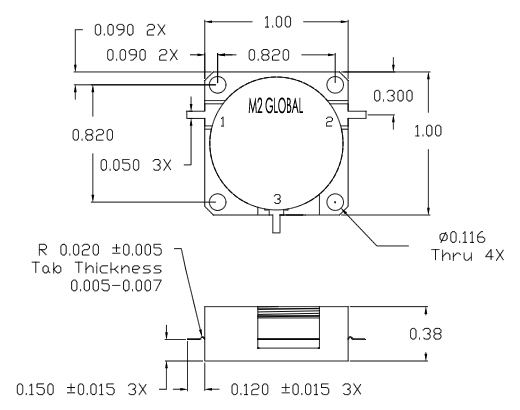
990-103109-503
制造商
M2 Global Technology
描述
1030 - 1090 MHz 同轴环行器 - 标准线
频率
1030 - 1090 MHz
插入损耗
0.4 dB
VSWR
1.22:1
x
完善产品信息
如果您发现产品的指标,厂商等信息有误或不完善,欢迎指出,经确认正确后我们将立即进行更正,并给予第一位发现此错误的用户一定的积分奖励,感谢您对FindRF的支持。
产品型号
具体内容
©2016 北京麦斯科技有限公司
京ICP备15016984号-1
友情链接:
微波仿真网
|
RFsister
|
天线工程师论坛
收缩
展开
销售咨询
客服一
客服二
企业邮箱
service@findrf.com
联系电话
010-59478456